PMP10393 Reference Design

Texas Instruments

High Density 600mV 200 A 5-6 Phase DC-DC Buck Converter with PMBus Interface Reference Design

Description

Advanced DCAP+ control is used to provide the high speed dynamic control needed for CPU: Memory and ASIC applications. Up to six high current synchronous power stages provide the high currents and low losses needed for these applications. Multi-phase also allows output ripple cancellation and effective higher bandwidth control for a given switching frequency.PMP10393 has same hardware as 1.0V PMP9738 but demonstrates operation at 600mV output up to 200 A off 12V input. Fixed on time mode and reduced switching frequency at 600mV help reduce losses and improve thermal balance between FETs.Testing at 120A output with 3 & 4 phases and lower cost Power Stage also included. Design focuses on ease of electrical testing and ability to make changes on the fly" thru the PMBus interface. On board bias supplies and a high speed dynamic load round out the rich test interface."

Features
  • Same hardware as 1.0Vout PMP9738: but with 600mV output testingDCAP+ control for excellent step load response: SVID and PMBus interfacesThermal performance & dynamic response verified at 600mV output off 12VinFocus of evaluation board is on ease of electrical testing with almost all parts on top sideRich test interface including PMBus socket: 5V & 3.3V biases and on-board high speed dynamic test loadSchematic: BOM: layout and Test Report including 120A testing with 3 & 4 phases and lower cost Power Stage
Applications
Product Categories
  • Power management

Parts

Part Number Name Companion Part

Bill Of Materials

Download the bill of materials for PMP10393 Download

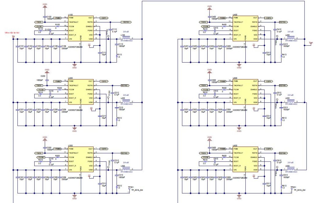
Schematic

Quickly understand overall system functionality.

Download the schematic for PMP10393

Other Documents

Title Updated Type Size (KB)
PMP10393 Gerber 16 Feb 2015 ZIP 918
PMP10393 PCB 16 Feb 2015 PDF 5686
PMP10393 Assembly Drawing 16 Feb 2015 PDF 395
PMP10393 BOM 16 Feb 2015 PDF 125
PMP10393 Schematic 16 Feb 2015 PDF 300