Description
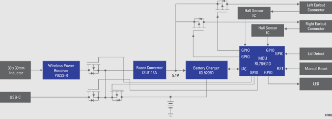
Optimized for compact and low-power applications, this design incorporates the P9222-R, an integrated single-chip wireless power receiver IC. It is highly efficient at light loads and very well-suited for applications like earbuds case charging.
System Benefits:
- The P9222-R is an ultra-compact, efficient wireless power receiver for up to 5W applications
- The ISL9113A provides a power supply solution for devices powered by three-cell alkaline, NiCd, NiMH, or one-cell Li-ion/Li-polymer batteries
- The ISL9205D is a complete charger for single-cell Li-ion/polymer batteries
